Ideal Warehouse Innovations

Laminated Dock Bumpers, Vertical, Rubber/Steel, 11" W x 6" D x 24" H

Model: KH717

Mfr. No.: 22-2103

  • Laminated Dock Bumpers, Vertical, Rubber/Steel, 11" W x 6" D x 24" H Equipment World

Colour, sizing or style depicted in some photos may not be exactly as described.
Please check your product description carefully before placing your order.

Green Edge

$613.00 / Each

0 In Stock

Manufacturer's Warranty

  • 3 Years

Material

Rubber/Steel

Style

Vertical

Depth

6"

Overall Width

11"

Overall Height

24"

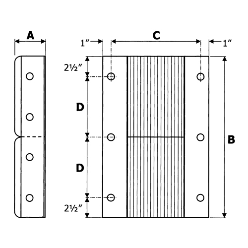
Dimensions A

6"

Dimensions B

24"

Dimensions C

11"

Dimensions D

9.5"

Weight

100 lbs.

  • One of the strongest forms of loading dock protection
  • Used in docking areas where excessive friction from up and down movement occurs, air-ride trailers, yard jockeys, etc.
  • 3/8" thick, heavy duty, high carbon, "floating" steel face plate withstands abrasive friction of air-ride trailers
  • Enclosed design prolongs rubber life
  • 3-year warranty
  • Made with recycled tire rubber